Norma DIN 2565 PN6 - threaded flange / astm a105 carbon steel mechanical properties, a105 carbon content, a105 material
Norma DIN 2565 PN6 - threaded flange / specifications / UNS K03504 A105 Carbon Steels in All Forms, a105 equivalent, Chemical composition, astm a350 lf2, material specification
![]()
NEW Ready Inventory :
![]()
You are Here: Home / Carbon Steel Flanges / Norma DIN 2565 PN6 - threaded flange
Norma DIN 2565 PN6 - threaded flange Suppliers Exporters Stockist India :
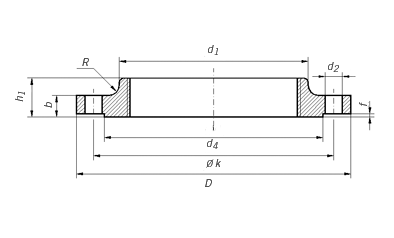
![]() |
![]() |
| Rated Diameter |
d1 | Flange | Neck | Raised face | Screws | Weight of a flange (7,85 Kg/dm3) |
|||||||
| Thread | D | b | k | h1 | d3 | d4 | f | Number | Thread | d2 | Kg | ||
| 15 | 21,3 | R 1/2 | 80 | 12 | 55 | 20 | 30 | 40 | 2 | 4 | M 10 | 11 | 0,373 |
| 20 | 26,9 | R 3/4 | 90 | 14 | 65 | 24 | 40 | 50 | 2 | 4 | M 10 | 11 | 0,59 |
| 25 | 33,7 | R 1 | 100 | 14 | 75 | 24 | 50 | 60 | 2 | 4 | M 10 | 11 | 0,743 |
| 32 | 42,4 | R 1 1/4 | 120 | 14 | 90 | 26 | 60 | 70 | 2 | 4 | M 12 | 14 | 1,05 |
| 40 | 48,3 | R 1 1/2 | 130 | 14 | 100 | 26 | 70 | 80 | 3 | 4 | M 12 | 14 | 1,2 |
| 50 | 60,3 | R 2 | 140 | 14 | 110 | 28 | 80 | 90 | 3 | 4 | M 12 | 14 | 1,37 |
| 65 | 76,1 | R 2 1/2 | 160 | 14 | 130 | 32 | 100 | 110 | 3 | 4 | M 12 | 14 | 1,92 |
| 80 | 88,9 | R 3 | 190 | 16 | 150 | 34 | 110 | 128 | 3 | 4 | M 16 | 18 | 2,82 |
| 100 | 114,3 | R 4 | 210 | 16 | 170 | 38 | 130 | 148 | 3 | 4 | M 16 | 18 | 3,19 |
| 125 | 139,7 | R 5 | 240 | 18 | 200 | 40 | 160 | 178 | 3 | 8 | M 16 | 18 | 4,47 |
| 150 | 165,1 | R 6 | 265 | 18 | 225 | 44 | 185 | 202 | 3 | 8 | M 16 | 18 | 5,3 |
Carbon Steel Flanges Specifications :
| Size | : | ½" TO 54" |
| Pressure Rating | : | 150#, 300#, 600#, 900#, 1500#, 2500# |
| Standards | : | ASME B 16.5, ASME B 16.47, API 6A |
| Type | : | SORF, WNRF, SWRF, BLRF, Threaded etc. |
| Specials | : | Spacers, Spectacle Blinds, Drip Rings, RTJ, Tongue, Groove, Orifice, etc. |
Material of Construction |
Standards |
Grades |
Carbon Steel Flanges
|
ASTM A105, A-350 LF2 SS400,SF440 RST37.2,S235JRG2,P250GH,C22.8,
|
|
Low Temperature Carbon Steel Flanges |
ASTM A350 | ASTM A350 Flange |
ANSI B16.5 Class 150 Flanges ANSI 300 ANSI B16.5 Class 300 Flanges ANSI 400 ANSI B16.5 Class 400 Flanges ANSI 600 ANSI B16.5 Class 600 Flangess ANSI 900 ANSI B16.5 Class 900 Flanges ANSI 1500 ANSI B16.5 Class 1500 Flanges ANSI 2500 ANSI B16.5 Class 2500 Flanges ASME B16.47 Series A Flangess ASME Series B ASME B16.47 Series B Flanges ANSI B16.5 Class 150 Flanges ANSI 300 ANSI B16.5 Class 300 Flangess ANSI 400 ANSI B16.5 Class 400 Flanges ANSI 600 ANSI B16.5 Class 600 Flangess ANSI 900 ANSI B16.5 Class 900 Flangess ANSI 1500 ANSI B16.5 Class 1500 Flanges ANSI 2500 ANSI B16.5 Class 2500 Flanges ASME B16.47 Series A Flanges ASME Series B ASME B16.47 Series B Flangess ANSI B16.5 Class 150 Flanges ANSI 300 ANSI B16.5 Class 300 Flanges ANSI
Types Of Pipe Flanges:
![]() |
![]() |
![]() |
![]() |
| Blind Flanges | Lap Joint Flanges | Orifice Flanges | Reducing Flanges |
![]() |
![]() |
![]() |
![]() |
| Slip-on-Flanges | Threaded Flanges | Weldneck Flanges | Large Size Flanges |
![]() |
![]() |
![]() |
![]() |
| Socket Weld Flanges | Spectacle Blind | Pipe Flange Bolts | Pipe Flange Gaskets |
ANSI B16.5 Class 150 Flanges ANSI 300 ANSI B16.5 Class 300 Flanges ANSI 400 ANSI B16.5 Class 400 Flanges ANSI 600 ANSI B16.5 Class 600 Flangess ANSI 900 ANSI B16.5 Class 900 Flanges ANSI 1500 ANSI B16.5 Class 1500 Flanges ANSI 2500 ANSI B16.5 Class 2500 Flanges ASME B16.47 Series A Flangess ASME Series B ASME B16.47 Series B Flanges ANSI B16.5 Class 150 Flanges ANSI 300 ANSI B16.5 Class 300 Flangess ANSI 400 ANSI B16.5 Class 400 Flanges ANSI 600 ANSI B16.5 Class 600 Flangess ANSI 900 ANSI B16.5 Class 900 Flangess ANSI 1500 ANSI B16.5 Class 1500 Flanges ANSI 2500 ANSI B16.5 Class 2500 Flanges ASME B16.47 Series A Flanges ASME Series B ASME B16.47 Series B Flangess ANSI B16.5 Class 150 Flanges ANSI 300 ANSI B16.5 Class 300 Flanges ANSI
HOT PRICE ON FLANGES :
carbon steel flange
US $1000-2000 / Ton ( FOB Price)
ASME seamless carbon steel flange
US $1-1000 / Piece ( FOB Price)
carbon steel flange a105
US $1-1000 / Ton ( FOB Price)
ansi carbon steel flange
US $1500-2000 / Ton ( FOB Price)
forged carbon steel flange
US $1.5-50 / Kilogram ( FOB Price)
Q235 Carbon Steel Flange
US $700-1400 / Ton ( FOB Price)
ANSI B16.5 A105 carbon steel flange
US $0.1-1000 / Piece ( FOB Price)
ASTM A105 Carbon Steel Flange
US $1.0-2.5 / Kilogram ( FOB Price)
Carbon steel flanges,MS Flange A105
US $0.1-10 / Piece ( FOB Price)
Din2566 standard carbon steel flange
US $900-2000 / Ton ( FOB Price)
carbon steel flange for factory price
US $1.2-80 / Piece ( FOB Price)
carbon steel flange/ansi flange
US $3-13 / Piece ( FOB Price)
Forged carbon steel flanges
US $5-1500 / Piece ( FOB Price)
Carbon Steel Flanges Material Specification / Properties / Size / specification Grades / Price List |
|
a105 carbon steel properties a105 mechanical properties |
ASTM A350 ASTM A350 lf2 |
Carbon Steel Astm A694 F42 Flanges / Carbon Steel Astm A694 F46 Flanges / Carbon Steel Astm A694 F52 Flanges / Carbon Steel Astm A694 F56 Flanges / Carbon Steel Astm A694 F60 Flanges / Carbon Steel Astm A694 F65 Flanges / Carbon Steel Astm A694 F70 Flange

.gif)












